图像分析

对通过从各种分析评价仪器中获得的图像进行解析,并进行可视化和定量化。

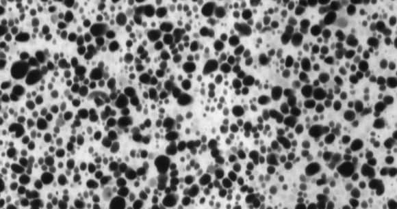
通过使用与各个图像的特征相匹配的图像分析系统,进行各种图像的解析。例如,通过解析透射型电子显微镜(TEM)的形态学图像,可以以数值来评价岛结构面积的分散程度以及分散是否均匀。

透射型电子显微镜(TEM)的形态学图像
透射型电子显微镜(TEM)的形态学图像
图像分析结果
图像分析结果
通过X射线CT获得的纤维取向通过X射线CT获得的纤维取向

此外,还可以评价通过X射线CT获得的纤维取向。

我们还从通过X射线CT获得的纤维取向的图像中解析了Digimat用的取向张量。